一、·产品概述
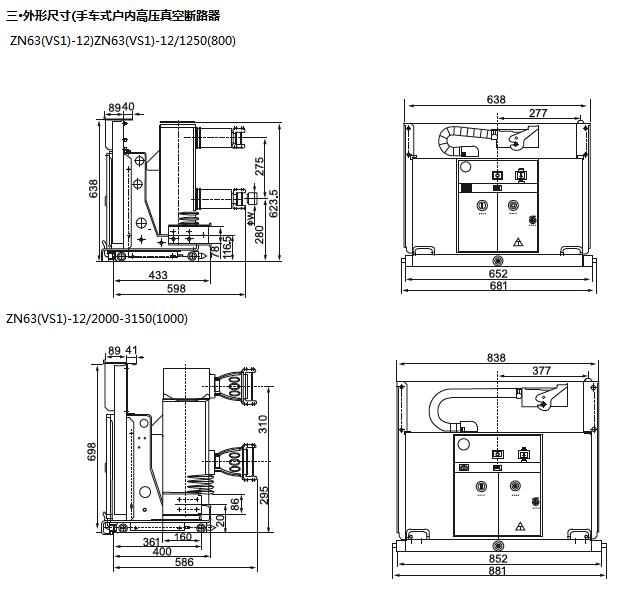
ZN63(VS1)-12户内高压真空断路器是三相交流50Hz,额定电压为12kV的户内开关设备,可供工矿企业、发电厂及变电站、电气设施的控制和保护之用,并适合于频繁操作的场所。采用VET操动机构与断路器本体一体化,设计即可做为固定安装单元,也可配用专用推进机构,组成手车单元使用。主回路部分可采用整体固封极柱,以实现断路器小型化、高可靠、免维护,可配用KYN28A-12(GZS)等中置手车式开关柜,也可配用于XGN固定式开关柜。
二·使用环境
1.手车式户内高压真空断路器ZN63(VS1)-12)1. 环境温度:不高于40℃,不低于-10℃(允许在-30℃时储运)。
2. 海拔高度:不超过1000m。
3. 相对湿度:日平均值不大于95%,饱和蒸汽压日平均值不大于2.2×10 MPa,月平均不大于1.8×10 MPa。
4. 地震烈度:不超度8级。
5. 无火灾、爆炸、严重污秽、化学腐蚀及剧烈振动的场所。
2. 海拔高度:不超过1000m。
3. 相对湿度:日平均值不大于95%,饱和蒸汽压日平均值不大于2.2×10 MPa,月平均不大于1.8×10 MPa。
4. 地震烈度:不超度8级。
5. 无火灾、爆炸、严重污秽、化学腐蚀及剧烈振动的场所。
当前位置:


