JN22B- 40.5/31.5型户内高压接地开关(以下简称接地开关) 其性能符合国家标准GB1985-2004《交流高压隔离开关和接地开关》和IEC62271-102:2002的各项要求,适用于三相额定电压 40.5Kv、交流50Hz的电力系统,可与HYN61-40.5高压开关柜及其他型号高压开关柜配套使用,作为高压电器设备检修时接地保护用。 JN22B-40.5/31.5型户内高压接地开关是在上述接地开关基础上改进的。结构简洁紧凑,性能一致,便于小角度操作,与JN15-12系列相同,可采用JN15-12的连接和传动件。
使用环境条件
1. 周围空气温度:上限+40℃;下限-25℃;
2. 海拔高度不超过1000m;
3. 地震烈度不超过8度;
4. 安装于没有火灾、爆炸危险、严重粉尘、化学腐蚀及剧烈振 动的场所。
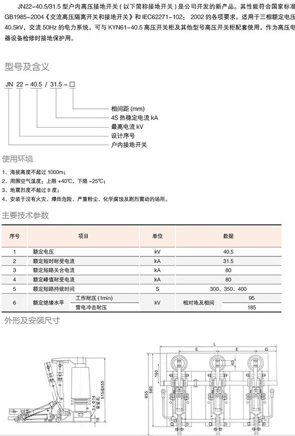
主要结构
JN22B-40.5/31.5-400高压接地开关有支架、接地刀装配、静触头、传感器、轴、
拐臂、压簧、导电套管、软连接组成。注:支架由薄钢板弯曲后焊接成部件,其余均为组
装式零部件。
当前位置:


